研发成果及信息库
- S-0001集成电路芯片电参数和老化测试
- S-0002开关磁阻电机设计及控制技术
- S-0003基于近似计算的高能效数字系统优化框架
- S-0004边缘侧智能处理架构
- S-0005一种适用于宽温度范围的低温度系数带隙基准源设计
- S-0006太赫兹探测器芯片
- S-0007基于超表面与人工表面等离激元的宽角度波束扫描天线阵
- S-0008宇航级抗辐射加固芯片
- S-0009射频声学滤波器的集成封装技术
- S-0010量子点生物芯片
- S-0011芯片表面微波磁场高分辨测量技术
- S-0012 半导体器件可靠性 (ESD、EMI) 设计
- S-0013高精度室内定位系统
- S-0014高精度光时延测量仪
- S-0015超高分辨率微型合成孔径雷达系统
- S-0016机器人精度补偿技术与高精度智能机器人加工装备
- S-0017半导体器件可靠性 (ESD、EMI) 设计
- S-0018各类功率电子变换装置的研制与技术支持
- S-0019高精度多维传感器技术及传感器阵列
- S-0020超低功耗近传感AI芯片
- S-002110bit 200MS/s 模数转换器芯片
- S-0022 2.4GHz射频收发机芯片
- S-0023面向Chiplet芯片缺陷的低成本高可靠性自适应测试方法研究
- S-0024 MEMS低功耗甲烷传感器
- S-0025 Sub-GHz多频段射频收发机芯片
- S-0026 WiFi PLL芯片
- S-0027 高能效近似计算芯片
- S-0028 用于芯片制造的白光显微干涉仪及系统
- S-0029气相爆轰制备石墨烯纳米片的方法与装置
- S-0030多模式可重构超宽带通信及雷达集成收发芯片
- S-0031 小型线性调频毫米波雷达测距装置
- S-0032汽车安全自动测控与管理系统
- S-0033小型水下机器人遥控设备
- S-0034智能高分辨成像光谱装备
- S-0035基于机器视觉的检测技术和设备
- S-0036 基于硅通孔的转接板及其制备方法
- S-0037基于 NB-IoT 的低功耗智能井盖监控终端
- S-0038 GaN/GaAs功率放大器芯片
- S-0039智慧城市综合执法大数据处理平台
- S-0040兼容5G NR V2X的车联网通感一体化系统资源分配方法
- S--0041小型化原子层沉积系统
- S-0042低EMI的防削顶失真单声道免滤波D类音频功率放大器
- S-0043 高功率电子封装材料技术
- S-0044第三代半导体材料高效低损复合磨削加工工艺
- S-0045光纤通信与光电集成电路芯片
- S-0048第三代半导体材料高效低损复合磨削加工工艺
- S-0049光纤通信与光电集成电路芯片
- S-0051GaN/GaAs功率放大器芯片
- S-0052室温下快速沉积薄膜单晶硅技术
- S-0053毫米波宽调谐范围压控振荡器芯片
- S-0054低阈值射频能量转换芯片
- S-0055宽带可重构射频芯片及应用
- S-0056智能应用片上系统(SOC)系列芯片
- S-0057多通道 GHz 近红外单光子探测器
- S-005824位精度60KSPS速度ADC芯片
- S-0059DC-18GHZ低通滤波器芯片
- S-0060CD芯片
- S-0061ZD芯片
- S-0062单片机/嵌入式/PLC/工业控制等专利技术
- S-0063国产自主可控/嵌入式人工智能原型机/系统
- S-0064嵌入式系统仪器仪表开发与设计/机器人协同系统
- S-0065边缘计算/算力网络/软件定义网络专利技术
- S-0066物联网/嵌入式技术方案
- S-0067计算机视觉/人工智能/光学信号处理/海洋电子原型机/系统
- S-0068嵌入式/电工电子人工智能专利技术/原型机/系统/技术方案
- S-0069嵌入式系统应用设计/智能控制/机器人教育技术方案
- S-0070汽车电子/电源原型机/系统/技术方案/软件工具包
- S-0071智能检测技术方案
- S-0072嵌入式应用/人工智能专利技术/技术方案
- S-0073人工智能/工业控制原型机/系统/软件工具包
- S-0074农业具身传感与智能装备原型机/系统/技术方案
- S-0075机器人与机器学习/多源导航定位及机器人控制专利技术/原型机/系统/技术方案/软件工具包
- S-0076电子装备可靠性研究/嵌入式技术工程应用原型机/系统/技术方案
- S-0077人工智能/图像处理。专利技术/原型机/系统/技术方案
- S-0078计算机系统结构/机器学习专利技术/原型机/系统/技术方案
- S-0079中央空调控制/嵌入式/电源/机器人专利技术/技术方案
- S-0080智能仪器设计/物联网开发/嵌入式开发原型机/系统
- S-0081嵌入式系统开发与设计/物联网工程技术专利技术/原型机/系统/技术方案/软件工具包
- S-0082机器人控制原型机/系统
- S-0083机器人工程/智能控制电气控制柜技术方案
- S-0084光电检测与成像技术专利技术
- S-0085MEMS芯片传感器专利技术/原型机/系统/技术方案
- S-0086光电检测原型机/系统
- S-0087智慧农业原型机/系统/技术方案
- S-0088嵌入式系统及应用/人工智能原型机/系统
- S-0089边缘计算/嵌入式系统与固件技术原型机/系统
- S-0090消防安全/人工智能/机器人工程/监测监控原型机/系统
- S-0091旋变角度解码器/ADC采集系统/FPGA开发原型机/系统/技术方案
- S-0092微小信号测量/EMC技术方案
- S-0093人工智能/供配电技术原型机/系统/技术方案
- S-0094汽车电子专利技术/原型机/系统/技术方案/软件工具包
- S-0095智能物联网/巡检机器人原型机/系统
- S-0096光学遥感图像处理/嵌入式系统开发及其应用技术方案
- S-0097高效处理器/FPGA专利技术原型机系统
- S-0098FPGA系统设计、A咖速、量子计算型机系统/技术方案/软件工具包
- S-0099高性能图像处理电路设计专利技术/原型机系统技术方案
- S-0100电子信息处理专利技术/技术方案
- S-0101AI芯片技术方案
- S-0102嵌入式AI,异构计算技术方案
- S-0103测量测控,FPGA应用专利技术/原型机/系统/技术方案
- S-0104智能硬件,微系统集成,通感一体化系统技术方案
- S-0105EDA综合设计课程建设;水下图像处理
- S-0106原型机系统/技术方案
- S-0107异构处理器系统、边缘智能原型机系统/技术方案
- S-0108自动化测试共建实验室
- S-0109专利技术/原型机/系统/技术方案/软件工具包
- S-0110信息与通信系统专利技术其他
- S-0111通信、测量、仪器仪表专利技术原型机/系统
- S-0112嵌入式仪器仪表,计算机视觉原型机系统/技术方案
- S-0113数字集成电路系统设计专利技术/原型机系统/技术方案
- S-0114高速数字信号处理原型机系统
- S-0115数字系统设计与PLD应用技术方案
- S-0116基于RISC-V的专用领域处理器设计原型机/系统
- S-0117原型机系统/技术方案/软件工具包
- S-0118嵌入式系统与FPGA原型机/系统/技术方案
- S-0119RIS辅助OFDM无线通信;FPGA信号处理技术方案
- S-0120电子测量技术、无人系统设计专利技术/原型机/系统
- S-0121FPGA电路、架构、工具、应用专利技术原型机系统/技术方案/软牛工具包
- S-0122移动通信技术与嵌入式系统设计技术方案/软件工具包
基本信息
-
S-0009射频声学滤波器的集成封装技术
-
芯片封装
-
芯成果
-
范老师
-
fanxiaoxiao@nicu.cn
技术简介
-
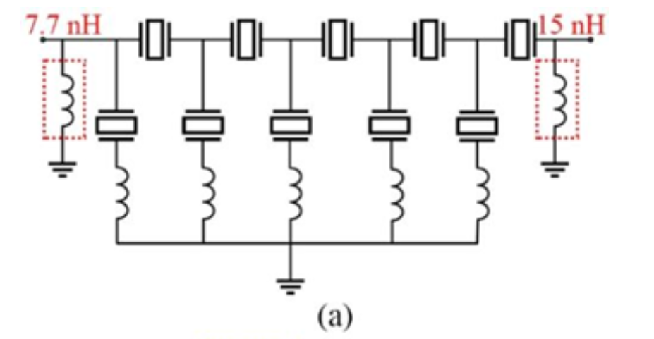
射频声学滤波器是射频前端的核心组件之一,发挥信号选择和噪声抑制的作用。为了使射频声学滤波器的带外抑制、带内波纹等指标更好地满足设计要求,通常在滤波器的各并联支路上分别串联一个外置匹配电感。本团队采用在封装基板上设计集成电感的方式使电感和FBAR滤波器集成在一个封装体内,利用HFSS软件设计基于多层电感的基板模型,优化设计电感值以满足设计要求。 将设计的埋置电感匹配到射频声学滤波器中,在滤波器通带左端产生新的传输零点,同时会在滤波器的通带右端形成零点。将所设计的埋置电感以电学形式连接到射频声学滤波器中,同时在滤波电路输入输出端口连接端口电感,可使得滤波器得到更好的带外抑制,且带内波纹大大改善。通过该技术可使得射频声学滤波器具有更优的频率选择特性,且小尺寸特性使其适合在集成度高的模块中使用。
应用范围及应用案例:
可应用于薄膜体声波滤波器、表面声波滤波器以及兰姆波滤波器的集成封装中。

图1 基于多层电感的基板结构示意:(a)三维结构;(b)横截面


图2 添加电感的滤波器:(a)电路结构;(b)传输特性曲线
-
201510217835.7
-
发明专利
-
中试阶段
-
/
需求文件
申请文件
内容涉密,点击申请,我们将尽快审核
